GUARNIZIONI OLEODINAMICA E PNEUMATICA

GUARNIZIONI OLEODINAMICA E PNEUMATICA

FPEGR - FPIGR - FPWTF
LRC - LRP - RC - RP
ROTOEGR - ROTOIGR

Vedi tutti gli articoli
GUARNIZIONI FP-EGR

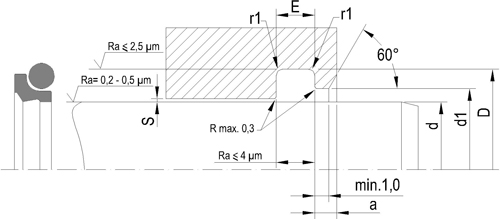
FPEGR (standard): Guarnizione di tenuta per pistone a doppio effetto La guarnizione è bi-composta, ed è costituita da un pattino in compound di PTFE accoppiato a un O-ring in elastomero con funzione energizzante.Le sue doti principali sono il basso attrito, l’assenza di Stick-slip e la elevata resistenza all’usura.Ridotto ingombro. Fornibile nelle diverse accoppiate di mescole-compounds a seconda delle condizioni di impiego.
Tipi di impiego: Tenuta dinamica per: moto rettilineo alternato. Pressione: fino a 80 Mpa (800 bar) Temperature: - 60 + 200 °C a seconda della mescola dell'o-ring abbinato. Velocità: = 15 m/s

Vedi gli articoli
GUARNIZIONI FP-IGR

FPIGR (standard) Guarnizione di tenuta stelo a semplice effetto. La guarnizione è bi-composta, ed è costituita da un pattino in compound di PTFE accoppiato a un O-ring in elastomero con funzione energizzante. Le sue doti principali sono il basso attrito, l’assenza di Stick-slip e la elevata resistenza all’usura. Fornibile nelle diverse accoppiate di mescole-compounds a seconda delle condizioni di impiego. Tipi di impiego: Tenuta dinamica per moto rettilineo alternato. Pressione: fino a 80 Mpa (800 bar) Temperature: - 60 + 200 °C a seconda del materiale dell'o-ring. Velocità: = 15 m/s

Vedi gli articoli
GUARNIZIONI FP ROTO EGR

Guarnizione di tenuta bidirezionale costituita da un pattino in compound di PTFE accoppiato a un O-ring in elastomero con funzione energizzante per pistoni rotanti, oscillanti o con movimenti elicoidali. Montato in cave in accordo a ISO 7425. Diametri ø: 6 – 2500mm Pressione: fino a 30 MPa (300 bar) Temperature: - 45°C + 200 °C a seconda della mescola dell'oring abbinato. Velocità di rotazione: 1 m/s continuativa in presenza di lubrificazione

Vedi gli articoli
GUARNIZIONI FP ROTO IGR

Guarnizione di tenuta bidirezionale costituita da un pattino in compound di PTFE accoppiato a un O-ring in elastomero con funzione energizzante per alberi rotanti, oscillanti o con movimenti elicoidali. Montato in cave in accordo a ISO 7425. Diametri ø: 6 – 2500mm Pressione: fino a 30 MPa (300 bar) Temperature: - 45°C + 200 °C a seconda della mescola dell'o-ring abbinato. Velocità di rotazione: 1 m/s continuativa in presenza di lubrificazione

Vedi gli articoli
GUARNIZIONI LRC

Tenuta a doppio effetto per impiego pneumatico e idraulico composta in due parti composta da un anello sagomato e un o-ring come elemento di precompressione. Temperatura dì esercizio: da -30 a + 200 °C a seconda della mescola dell'o-ring abbinato. Pressione: max. 25 MPa (250 bar) Velocità di scorrimento:max. 4 m/s

Vedi gli articoli
GUARNIZIONI LRP

Tenuta a doppio effetto per impiego pneumatico e idraulico composta in due parti composta da un anello sagomato e un o-ring come elemento di precompressione. Temperatura dì esercizio: da -30 a + 200 °C a seconda della mescola dell'o-ring abbinato. Pressione: max. 25 MPa (250 bar) Velocità di scorrimento:max. 4 m/s

Vedi gli articoli
GUARNIZIONI RC

Tenuta a doppio effetto per impiego pneumatico e idraulico composta in due parti composta da un anello sagomato e un o-ring come elemento di precompressione. Temperatura dì esercizio: da -30 a + 200 °C a seconda della mescola dell'o-ring abbinato. Pressione: max. 20 MPa (200 bar) Velocità di scorrimento:max. 4 m/s

Vedi gli articoli
GUARNIZIONI RP

Tenuta a doppio effetto per impiego pneumatico e idraulico composta in due parti composta da un anello sagomato e un o-ring come elemento di precompressione. Temperatura dì esercizio: da -30 a + 200 °C a seconda della mescola dell'o-ring abbinato. Pressione: max. 20 MPa (200 bar) Velocità di scorrimento:max. 4 m/s

Vedi gli articoli
RASCHIATORE WTF

Anello raschiatore a doppio effetto raschiante, costituito da un pattino in compounds di PTFE accoppiato a un O-ring in elastomero con funzione energizzante.
Le sue doti principali sono il basso attrito, l’assenza di Stick-slip e l’elevato effetto raschiante garantito nel tempo indipendentemente dalle condizioni ambientali esterne.
La sua doppia azione accresce l’efficienza del sistema tenuta. A richiesta fornibile nelle diverse accoppiate di mescole-compounds per applicazioni speciali.
Tipi di impiego: Applicazioni dinamiche per - moto rettilineo alternato - moto rotatorio alternato - moto elicoidale.
Temperature: - 60 + 200 °C a seconda della mescola dell'o-ring abbinato.
Velocità: = 15 m/s

Vedi gli articoli